-
全国免费热线
18262992219


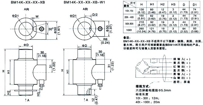
外形尺寸mm(inch)


功能特点:
◆不锈钢材质,单柱式结构,全密封性焊接,压向承载;
◆防护等级IP68;
◆防雷击可达一万伏,适用于汽车衡、称重模块、平台秤、料斗秤等各类电子称重设备。
Copyright © 2000-2024 江苏宏力称重设备有限公司 All Rights Reserved.苏ICP备17009522号
手机:18262992219 传真:0519-83368786 邮箱:911908942@qq.com
地址:常州武进国家高新技术产业开发区龙惠路21号
技术支持:宏力称重

